Магнитола Alpine CDE-170R – это современное автомобильное аудиоустройство, которое предлагает возможность наслаждаться качественным звуком в вашем автомобиле. Она обладает стильным дизайном, функциональностью и простотой в управлении. Чтобы полностью настроиться и насладиться музыкой, необходимо правильно подключить данную магнитолу к вашей машине.
Схема подключения магнитолы Alpine CDE-170R состоит из нескольких важных шагов. Прежде всего, вам нужно определиться со способом подключения – через ISO-разъем или с помощью соединительных проводов. Но несмотря на то, что это может показаться сложным, на самом деле это довольно просто и позволяет получить идеальную аккуратную установку.
Для подключения магнитолы Alpine CDE-170R необходимы некоторые инструменты и кабели, включая универсальный пульт Android или Apple, кабель для подключения смартфона, провода для подключения динамиков и кабель питания. Следуя инструкции и схеме подключения, вы сможете за короткий промежуток времени настроить магнитолу и наслаждаться качественным звуком в вашем автомобиле.
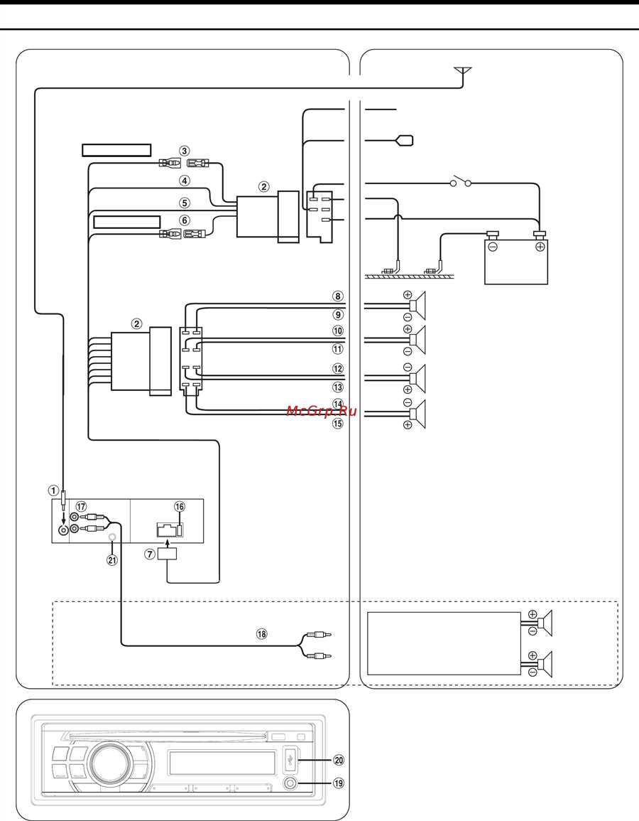
Магнитола Alpine CDE-170R: схема подключения
Шаг 1: Отключите аккумулятор автомобиля
Перед началом работ по подключению магнитолы необходимо отключить аккумулятор автомобиля, чтобы предотвратить возможные короткое замыкание и повреждение компонентов.
Шаг 2: Проверьте проводку автомобиля
Убедитесь, что проводка вашего автомобиля в полном порядке и готова принять подключение магнитолы. Проверьте все провода на наличие повреждений или коррозии, и при необходимости замените их.
Шаг 3: Подключите питание и заземление
Следующим шагом является подключение питания и заземления магнитолы. Для этого используются два провода: красный (+12V) и черный (заземление). Подсоедините красный провод к положительному (+) кабелю аккумулятора, а черный провод подключите к точке заземления кузова автомобиля.
Шаг 4: Подключите аудио-выходы и динамики
С помощью кабелей RCA или штатных штекеров магнитолы подключите аудио-выходы магнитолы к соответствующим входам усилителя или аудиосистемы автомобиля. Подключите динамики автомобиля к соответствующим выходам магнитолы.
Теперь вы можете наслаждаться качественным звуком и многообразием функций, предлагаемых магнитолой Alpine CDE-170R!
Комплект поставки магнитолы алпине цде 170р
Магнитола Alpine CDE 170R поставляется вместе с различными аксессуарами, которые обеспечивают удобную установку и использование.
В комплект поставки входят следующие компоненты:
| Компонент | Описание |
|---|---|
| Магнитола Alpine CDE 170R | Основное устройство, которое воспроизводит аудиофайлы с различных источников. |
| Пульт дистанционного управления | Позволяет управлять магнитолой издалека, не прикасаясь к основному устройству. |
| Установочная рамка | Необходима для установки магнитолы в автомобильный салон и обеспечивает ее надежную фиксацию. |
| Кабели и провода | В комплект поставки входят все необходимые кабели и провода, которые позволяют подключить магнитолу к автомобильной электрической системе. |
| Инструкция по эксплуатации | Подробное руководство, которое содержит информацию о функциональности магнитолы и ее настройке. |
Все компоненты комплекта поставляются в одной упаковке с магнитолой Alpine CDE 170R и гарантируют удобство установки и использования данного аудиоустройства.
Описание основных характеристик Alpine CDE-170R
1. Качественное звучание
С помощью встроенного усилителя мощностью 4х50 Вт вы получите высококачественное звучание в вашем автомобиле. Благодаря применению передовых технологий, магнитола обеспечивает четкое и детализированное воспроизведение музыки.
2. Разнообразные источники воспроизведения
Магнитола Alpine CDE-170R оснащена FM/AM-тюнером, а также USB-портом, AUX-входом и CD-приводом. Это позволяет вам выбрать любой удобный для вас источник воспроизведения — от радиостанций до ваших собственных плейлистов.
3. Простое управление
Устройство оснащено интуитивно понятным и удобным управлением, что позволяет вам быстро найти нужную песню или радиостанцию. Благодаря яркому дисплею с подсветкой вы можете легко читать информацию о текущем треке или радиостанции.
Alpine CDE-170R — это надежный и функциональный выбор для тех, кто ищет качественное автомобильное аудио.
Подготовка к установке магнитолы алпине цде 170р
1. Проверьте совместимость и наличие необходимых компонентов
Перед покупкой магнитолы алпине цде 170р убедитесь в ее совместимости с вашим автомобилем. Также убедитесь, что у вас есть все необходимые компоненты, такие как разъемы, провода и крепежные элементы.
2. Подготовьте инструменты
Для установки магнитолы вам понадобятся следующие инструменты:
- Отвертка
- Кусачки
- Пассатижи
- Набор ключей или гаечный ключ
- Лопатка-вынималка для автомагнитолы
- Изолента или клипсы для крепления проводов
Убедитесь, что у вас есть все необходимые инструменты, чтобы избежать перерывов в процессе установки.
Подключение основных кабелей к магнитоле алпине цде 170р
Магнитола Альпине ЦДЕ 170р имеет несколько основных кабелей, которые необходимо правильно подключить для ее работы. Разберем, как подключить каждый из них.
Подключение кабеля питания
Первым шагом необходимо подключить кабель питания магнитолы. Кабель питания Альпине ЦДЕ 170р обычно имеет красно-черную цветовую маркировку. Черный провод – это заземление, его нужно подключить к негативному полю аккумулятора. Красный провод – это положительное питание, его нужно подключить к плюсовому полю аккумулятора. Проверьте, что оба провода надежно закреплены, чтобы избежать проблем с питанием магнитолы.
Подключение антенны
Для приема сигнала FM/AM радио необходимо подключить антену к магнитоле. Антенный кабель обычно имеет разъем в форме штырька, который нужно вставить в соответствующий разъем на магнитоле. Часто антенный разъем располагается на задней панели магнитолы. После подключения антенны убедитесь, что разъем надежно зафиксирован, чтобы обеспечить хорошее качество приема радиосигнала.
Подключение колонок

Последним этапом подключения основных кабелей является подключение колонок или акустических систем к магнитоле. Кабельные провода колонок обычно имеют разъемы в форме пинов, которые нужно вставить в соответствующие разъемы на задней панели магнитолы. Важно подключить правильно заземление и фазировку проводов колонок, чтобы избежать искажений звука и обеспечить оптимальное качество звучания.
Процесс подключения основных кабелей к магнитоле Альпине ЦДЕ 170р несложен, но требует внимательности и аккуратности. Убедитесь, что все кабели надежно закреплены и правильно подключены, чтобы ваша магнитола функционировала без проблем и обеспечивала отличное качество звука.
Подключение колонок к магнитоле алпине цде 170р
Для подключения колонок к магнитоле алпине цде 170р необходимо выполнить следующие шаги:
- Взять набор динамиков, состоящий из колонок и проводов.
- Перед началом подключения убедиться, что магнитола отключена от источника питания.
- Определиться с местом установки колонок, учитывая размеры и форму автомобиля.
- С помощью проводов, подключить каждую колонку к соответствующему выходу на магнитоле.
- Правильно прокинуть и закрепить провода, чтобы они не мешали при управлении автомобилем.
- Убедиться в надежности подключения: провода не должны плохо контактировать или быть перекрученными.
- Магнитола алпине цде 170р готова к использованию вместе с новыми колонками.
Правильное выполнение данных шагов позволит наслаждаться качественным звуком, который обеспечат колонки, подключенные к магнитоле алпине цде 170р.
Подключение усилителя к магнитоле алпине цде 170р
Шаг 1: Подготовка необходимых материалов и инструментов

Перед началом процесса подключения усилителя к магнитоле, необходимо подготовить следующие материалы и инструменты:
- Магнитола Альпине ЦДЕ 170Р
- Усилитель для автомобильной аудиосистемы
- Стерео-кабели и разъемы RCA
- Отвертка и пинцет
- Электропроводка
Шаг 2: Подключение усилителя к магнитоле
Для подключения усилителя к магнитоле Альпине ЦДЕ 170Р, следуйте инструкциям:
| Магнитола | Усилитель |
|---|---|
| Выключите зажигание и отсоедините проводку аккумулятора. | Выключите питание на усилителе. |
| Используя отвертку, удалите магнитолу из автомобильной панели. | Выберите правильное место для установки усилителя и закрепите его, используя винты. |
| Отсоедините разъемы кабеля магнитолы, подключенные к динамикам автомобиля. | Присоедините разъемы RCA усилителя к соответствующим портам на магнитоле. |
| Соедините кабель для удаленного включения между магнитолой и усилителем. | Соедините провода усилителя с электропроводкой автомобиля: красный провод – с положительным (+) полюсом аккумулятора, черный провод – с отрицательным (-) полюсом аккумулятора. |
| Установите магнитолу обратно в автомобильную панель. | Подключите провода от динамиков автомобиля к соответствующим портам на усилителе. |
| Подключите провод питания и управления усилителем к электропроводке автомобиля. | Прикрепите заземляющий провод усилителя к металлической части автомобиля. |
| Подключите провода питания и управления магнитолы к электропроводке автомобиля. | Подключите провод питания усилителя к аккумулятора автомобиля. |
| Проверьте правильность подключений и установите все крышки в панеле автомобиля. | Установите все крышки и защитные элементы усилителя. |
| Подсоедините проводку аккумулятора и включите зажигание автомобиля. | Включите питание на усилителе и убедитесь, что звук воспроизводится нормально. |
После успешного подключения усилителя к магнитоле, у вас будет более мощная и качественная звуковая система в автомобиле. Регулируйте уровни звука и наслаждайтесь музыкой на полную громкость!
Подключение дополнительных устройств к магнитоле алпине цде 170р
Подключение смартфона
Один из способов расширить функционал магнитолы Alpine CDE 170р — это подключение смартфона. Для этого, вам потребуется кабель USB, который поддерживает соединение между вашим смартфоном и магнитолой. Вставьте один конец кабеля в порт USB на передней панели магнитолы, а другой конец — в порт USB на вашем смартфоне. После подключения, вы сможете слушать музыку с вашего смартфона через акустическую систему магнитолы и управлять медиафайлами с помощью кнопок на передней панели или пульта дистанционного управления.
Подключение дополнительных колонок
В этой статье мы рассмотрели лишь два способа подключения дополнительных устройств к магнитоле Alpine CDE 170р. Однако, вы можете использовать другие устройства, такие как акустические системы, громкоговорители и т.д. Важно помнить, что при подключении дополнительных устройств, необходимо соблюдать инструкции производителя и обращаться к специалистам, если возникают проблемы с установкой или настройкой.
Подключение антенны к магнитоле алпине цде 170р
Подключение антенны к магнитоле Alpine CDE 170R производится с помощью специального антенного разъема на задней панели магнитолы. Разъем имеет форму гнезда и обычно располагается на нижней части панели. Для подключения антенны необходимо вставить антенный штекер в соответствующий разъем.
Перед подключением антенны рекомендуется установить магнитолу в автомобиле и убедиться, что антенный кабель достаточной длины для достижения антенны наружу автомобиля. Кроме того, следует проверить состояние антенны и антенного кабеля на наличие повреждений или перегибов.
После подключения антенны необходимо убедиться, что антенный штекер надежно закреплен в разъеме и не имеет люфта. Если штекер оказывается слабо закрепленным, это может привести к плохому контакту и плохому приему радиосигнала.
После успешного подключения антенны и установки магнитолы в автомобиле, можно настроить радиостанции на магнитоле и наслаждаться качественным приемом радиосигнала.
Подключение электропитания к магнитоле алпине цде 170р
Для правильного подключения магнитолы алпине цде 170р необходимо обеспечить ей стабильное электропитание. Для этого следует следовать определенной схеме подключения.
- Перед началом подключения рекомендуется отключить зажигание автомобиля и отсоединить отрицательный (минусовой) клеммный провод от аккумулятора, чтобы избежать возможных коротких замыканий и повреждения оборудования.
- Обратите внимание на провода питания магнитолы. Они, как правило, бывают отличающегося цвета:
- Красный провод — положительный (+) питательный провод.
- Черный провод — отрицательный (-) провод, который подключается к земле или к металлической части автомобиля.
- Проведите красный провод через отверстие в монтажном блоке и подключите его к положительному (+) источнику электропитания в автомобиле. Обычно это провод, подключаемый к +12V на разъеме головного блока.
- Проведите черный провод через отверстие в монтажном блоке и подключите его к отрицательному (-) источнику электропитания в автомобиле. Обычно это провод, подключаемый к GND или к металлической части автомобиля.
- Убедитесь в надежности и качестве проведенных подключений. Проверьте, что все провода правильно подключены, хорошо закреплены и не зажаты. Это важно для безопасности и стабильной работы магнитолы.
- Опытным путем проверьте работу магнитолы, включив зажигание автомобиля. Убедитесь, что она включается и функционирует без проблем.
Следуя этой схеме подключения, вы обеспечите электропитание для магнитолы алпине цде 170р и сможете с комфортом наслаждаться качественным звуком и разнообразием функций данной модели.
Проверка работоспособности магнитолы алпине цде 170р
Шаг 1: Подключение к автомобильной электросистеме
Перед началом проверки необходимо правильно подключить магнитолу Alpine CDE 170R к электросистеме автомобиля. Для этого:
1. Откройте капот автомобиля и найдите гнездо подключения электросистемы.
2. При необходимости отсоедините отрицательный клеммный зажим аккумулятора с помощью гаечного ключа.
3. Подсоедините положительный кабель магнитолы к положительному кабелю электросистемы автомобиля.
4. Подсоедините отрицательный кабель магнитолы к отрицательному кабелю электросистемы автомобиля.
5. Убедитесь, что все соединения кабелей крепкие и надежные.
Шаг 2: Проверка работы магнитолы
После подключения магнитолы к автомобильной электросистеме можно приступать к ее проверке. Для этого выполните следующие действия:
1. Включите зажигание автомобиля.
2. Включите магнитолу, нажав на кнопку питания.
3. Проверьте работу основных функций магнитолы, таких как воспроизведение музыки, радиоприемник, настройка громкости.
4. Оцените качество звучания и работу аудиосистемы автомобиля.
Шаг 3: Настройка магнитолы
Если магнитола Alpine CDE 170R работает исправно, остается настроить ее для достижения наилучшего звучания:
1. Настройте радиоприемник на любимую станцию, используя кнопки на передней панели.
2. Подключите внешнее аудиоустройство, например, смартфон, посредством AUX-кабеля или Bluetooth.
3. Проведите тестовое воспроизведение музыки различных жанров для оценки качества звучания.
4. Попробуйте настроить эквалайзер и уровень громкости, чтобы добиться наилучшей звуковой характеристики магнитолы.
После выполнения всех этих шагов вы можете быть уверены в работоспособности магнитолы Alpine CDE 170R и наслаждаться качественным звуком в вашем автомобиле.