Трамблер газ 2410 схема – это одна из основных составляющих электронной системы в автомобиле, отвечающая за правильное распределение зажигания и подачу зажигательных импульсов на свечи. Она является главным элементом в системе зажигания транспортного средства и имеет важное значение для работы двигателя.
Подключение и настройка трамблера газ 2410 схема является неотъемлемой частью технического обслуживания автомобиля. Правильная работа трамблера гарантирует стабильность двигателя, экономичность использования топлива и снижение выбросов вредных веществ. Поэтому, знание основных принципов работы и правильное подключение и настройка трамблера являются важными навыками для автовладельца или механика.
Подключение трамблера газ 2410 схема начинается с локализации компонента внутри автомобиля. Обычно, трамблер располагается на блоке цилиндров двигателя вблизи системы зажигания. Для правильного подключения трамблера необходимо соблюдать следующие шаги:
- Отключите аккумуляторную батарею и убедитесь в отсутствии электрического тока в системе;
- Найдите соответствующий разъем на трамблере и провод, к которому он подключается;
- Посмотрите на электрическую схему вашего автомобиля для определения цвета провода, который должен быть подсоединен к каждому из контактов трамблера;
- Подключите провода к контактам трамблера согласно схеме;
- Установите трамблер в соответствующее место на двигателе;
- Закрепите трамблер с помощью специальных крепежных элементов.
После правильного подключения, необходимо настроить трамблер газ 2410 схема. Настройка трамблера производится на станции технического обслуживания с помощью специального оборудования и программного обеспечения. Опытный мастер проводит диагностику и определяет точные параметры для настройки, чтобы обеспечить наилучшую работу трамблера в автомобиле.
Что такое трамблер газ 2410 шема?
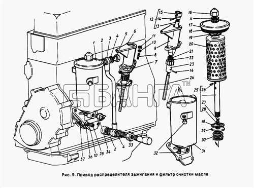
Шема трамблера газ 2410 включает в себя следующие основные компоненты:
- Вал трамблера
- Ротор трамблера
- Крышка трамблера
- Корпус трамблера
- Катушка зажигания
- Электрические провода
Вал трамблера является основной деталью, которая передвигается в разные стороны и обеспечивает зажигание свечей зажигания по порядку. Ротор трамблера представляет собой небольшую деталь, установленную на валу, которая вращается под действием вала трамблера и передает ток на свечи зажигания. Крышка трамблера предназначена для защиты внутренних компонентов от пыли и влаги.
Трамблер газ 2410 шема соединяется с катушкой зажигания, которая преобразует низковольтный ток от аккумулятора в высоковольтный ток, нужный для зажигания свечей. Важно правильно подключить электрические провода к трамблеру согласно предоставленной схеме, чтобы обеспечить правильную работу зажигания автомобиля.
| Номер провода | Цвет провода | Назначение |
|---|---|---|
| 1 | Красный | Плюс аккумулятора |
| 2 | Желтый | Свеча зажигания 2 |
| 3 | Белый | Свеча зажигания 3 |
| 4 | Синий | Свеча зажигания 4 |
Знание и понимание схемы трамблера газ 2410 необходимо для настройки и подключения данного узла зажигания, чтобы обеспечивать эффективное и безотказное зажигание во время работы двигателя автомобиля.
Какую роль выполняет трамблер газ 2410 шема в работе двигателя?
Главная функция трамблера газ 2410 шема – это управление порядком зажигания цилиндров двигателя. Он обеспечивает правильную последовательность и момент зажигания каждого цилиндра, что позволяет двигателю работать эффективно и без сбоев.
Трамблер газ 2410 шема состоит из основного корпуса, статора и ротора. Статор – это неподвижная часть трамблера, которая содержит контакты для каждого цилиндра двигателя. Ротор – это вращающаяся часть трамблера, которая передвигается синхронно с вращением распределительного вала и подает ток на свечи зажигания в нужный момент времени.
Трамблер газ 2410 шема действует по принципу распределителя и переключателя, обеспечивая точное управление зажиганием каждого цилиндра. Он также компенсирует механический люфт в механизме зажигания.
Правильная работа трамблера газ 2410 шема особенно важна для двигателей с большим числом цилиндров, так как неправильный порядок зажигания может привести к нестабильной работе мотора, потере мощности и увеличению расхода топлива.
Возможные поломки в трамблере газ 2410 шема могут привести к неправильной работе двигателя, поэтому регулярная проверка и обслуживание данного узла является важной частью технического обслуживания автомобиля.
Как подключить трамблер ГАЗ 2410 схема к двигателю?
1. Перед началом работ:
- Убедитесь, что двигатель и система зажигания полностью остыли.
- Отсоедините отрицательный (черный) клеммный зажим аккумулятора.
- Убедитесь, что у вас имеются необходимые инструменты и комплектующие, такие как ключи, провода, соединители и схема подключения трамблера ГАЗ 2410.
2. Монтаж нового трамблера:
- С помощью ключей откройте и отсоедините крышку трамблера.
- Аккуратно извлеките старый трамблер из его места и снимите его соединения.
- Произведите установку нового трамблера, следуя инструкции из схемы подключения.
- Подсоедините соединения к новому трамблеру, обеспечив правильное соответствие и совместимость.
3. Подключение проводов:
- Обратите внимание на правильную полярность и последовательность подключения проводов.
- Убедитесь, что провода надежно закреплены и не задевают другие элементы двигателя.
После выполнения вышеуказанных шагов, ваш трамблер ГАЗ 2410 должен быть успешно подключен к двигателю. Рекомендуется всегда следовать инструкциям из схемы подключения и соблюдать все предписанные процедуры безопасности. Если возникают сложности или неопределенности во время подключения трамблера, рекомендуется обратиться к специалисту или в автосервис для получения квалифицированной помощи.
Какие инструменты понадобятся для подключения трамблера газ 2410 шема?
Для успешного подключения трамблера ГАЗ 2410 согласно схемы, вам понадобятся следующие инструменты:
1. Ключи и отвертки: Для снятия и установки различных крепежных элементов и соединений в системе зажигания и топливной системе вам понадобятся ключи разных размеров и отвертки с разными типами и размерами головок.
2. Тестер: Тестер или мультиметр необходим для проверки электрических цепей, напряжения и сопротивления в системе зажигания. Это поможет вам обнаружить возможные неисправности и неполадки в работе трамблера.
3. Зажимы и провода: Для соединения различных компонентов, датчиков и кабелей в системе зажигания понадобятся провода и зажимы. Обратите внимание на качество материалов и надежность этих элементов, чтобы обеспечить стабильную работу трамблера.
4. Шплинты и заклепки: При снятии или установке ротора трамблера, а также при работе с другими крепежными элементами, вы можете понадобиться шплинты или заклепки. Они помогут обеспечить надежную фиксацию и предотвратить самопроизвольное отвертывание или разъединение соединений.
5. Схема и инструкция: Не забудьте иметь под рукой схему и инструкцию к вашему трамблеру ГАЗ 2410. Они помогут вам разобраться в подключении и настройке трамблера, а также определить правильное расположение компонентов и проводов.
Важно! При работе с трамблером ГАЗ 2410 всегда соблюдайте меры безопасности и следуйте инструкциям производителя. При возникновении сомнений или неисправностей, лучше обратиться к специалисту для профессиональной помощи.
Какие материалы необходимы для подключения трамблера газ 2410 шема?
Для успешного подключения трамблера газ 2410 необходимы следующие материалы:
- Трамблер газ 2410: самое важное устройство, отвечающее за правильную работу двигателя.
- Двигатель автомобиля: основной элемент автомобиля, который будет устанавливаться на трамблер.
- Комплект проводов: набор проводов, которые соединяют трамблер с разными элементами двигателя.
- Свечи зажигания: нужны для создания искры, которая зажигает топливо в цилиндрах двигателя.
- Инструменты: ключи, отвертки и другие инструменты для монтажа трамблера и проводов.
Важно помнить, что перед подключением трамблера газ 2410 необходимо ознакомиться с инструкцией по монтажу и обратиться к специалисту, если возникают сложности или неуверенность в своих силах.
Как правильно установить трамблер газ 2410 шема на двигатель?
Шаг 1: Подготовка
Перед установкой трамблера необходимо убедиться в том, что двигатель выключен и остыл. Удалите старый трамблер и очистите поверхность от остатков прокладки.
Шаг 2: Подключение проводов
Подключите провода к соответствующим контактам на трамблере и двигателе. Обратите внимание на правильное соответствие цветов проводов, чтобы избежать ошибок.
- Контакт + или 15 – подключите провод от аккумулятора или от источника питания.
- Контакт — или 1 – подключите провод от катушки зажигания.
- Контакт W или C – подключите провод от датчика положения коленчатого вала (для моделей с этим датчиком).
Убедитесь, что провода надежно зафиксированы на контактах и отсутствуют повреждения.
Шаг 3: Установка трамблера
Установите новый трамблер на место, смазав поверхность прокладки тонким слоем силиконовой смазки. Затяните гаечные крепления трамблера согласно требуемым значениям крутящего момента.
Внимательно проверьте, чтобы трамблер был установлен в правильном положении и не мешал работе других двигательных систем.
Шаг 4: Проверка работы
После установки трамблера необходимо проверить его работоспособность. Для этого запустите двигатель и оцените его работу. В случае необходимости, выполните дополнительную настройку трамблера.
Отрегулируйте положение распределителя зажигания путем вращения трамблера в противоположную сторону движения вала коленчатого.
Проверьте зажигание на холостых оборотах и на разных режимах работы двигателя.
Теперь вы знаете, как правильно установить трамблер газ 2410 шема на двигатель. Это важная процедура, которая обеспечит надежную работу вашего автомобиля.
Какие параметры нужно настроить в трамблере газ 2410 шема?
1. Угол опережения зажигания: Опережение зажигания — это момент, когда зажигание срабатывает перед верхней мертвой точкой поршня. Устанавливая угол опережения зажигания, необходимо учитывать тип двигателя, его характеристики и качество используемого топлива.
2. Чувствительность регулятора: Чувствительность регулятора определяет, насколько быстро трамблер изменяет угол опережения зажигания в зависимости от изменения оборотов двигателя. Нужно установить оптимальное значение, которое обеспечит плавное и стабильное изменение опережения.
3. Границы регулировки: Границы регулировки определяют максимальное и минимальное значение опережения зажигания, которое можно установить. Необходимо правильно настроить эти границы, чтобы избежать перегрева двигателя или его пропусков зажигания.
4. Рабочая область: Рабочая область параметров задает диапазон оборотов двигателя, в котором будет осуществляться регулировка опережения зажигания. Необходимо выбрать такие значения, чтобы исключить возможность нарушения работы двигателя при разных оборотах.
5. Регулировка зазора контактов: Зазор контактов в трамблере ГАЗ-2410 влияет на точность опережения зажигания. Необходимо установить правильный зазор, который обеспечит стабильную работу двигателя.
Важно помнить, что настройка трамблера ГАЗ-2410 схема требует определенных знаний и навыков. Рекомендуется обратиться к профессионалам или изучить подробную инструкцию по настройке конкретного трамблера перед выполнением этой процедуры.
Как проверить правильность подключения и настройки трамблера ГАЗ 2410 шема?
Для проверки правильности подключения и настройки трамблера ГАЗ 2410 шема рекомендуется выполнить следующие действия:
1. Визуальная проверка подключения
Внимательно осмотрите подключение проводов и заземление трамблера. Убедитесь, что все провода подключены к соответствующим контактам трамблера и при необходимости приведите их в соответствие с газ 2410 схема подключения. Проверьте качество и надежность клеммных соединений. Если вы обнаружите поврежденные или слабо закрепленные контакты, замените их.
2. Проверка настройки трамблера
Для проверки настройки трамблера ГАЗ 2410 шема необходимо выполнить следующие шаги:
а) Установите цилиндр номер 1 в крайнее верхнее положение (в верхней мертвой точке ВМТ) с помощью штангенциркуля. Для этого снимите крышку корпуса трамблера и установите штангенциркуль в отверстие ВМТ на торце вала распределительного механизма.
б) Проверьте положение указателей на крышке трамблера. Указатель на валу должен указывать на риску, расположенную в корпусе трамблера. Указатель на крышке корпуса должен указывать на метку установки трамблера.
в) Проверьте положение контакта на контактной группе трамблера. Контакт обычно устанавливается при позиции ВМТ цилиндра номер 1. Он должен быть расположен так, чтобы замыкал штекер-патрубком внутри катки свечи.
г) Проверьте положение распределительного ротора. Ротор должен быть установлен так, чтобы его штекер-патрубок внутри катки свечи замыкал контакт на моменте зажигания цилиндра номер 1. Если это не так, вы можете провести ручную настройку, поворачивая ротор на корпусе трамблера.
В случае возникновения проблем с работой двигателя или зажиганием не рекомендуется самостоятельно дальше вносить изменения и настройки в трамблер. Лучше обратиться к квалифицированному автомеханику, который проведет более точную диагностику и устранит неисправности.
Какие проблемы могут возникнуть при подключении и настройке трамблера газ 2410 шема?
Подключение и настройка трамблера газ 2410 шема может столкнуться со следующими проблемами:
1. Неправильное подключение проводов

Одной из наиболее распространенных проблем является неправильное подключение проводов. Неправильное подключение может привести к нестабильной работе трамблера и снижению его эффективности. Чтобы избежать этой проблемы, важно внимательно изучить схему подключения и убедиться, что все провода подключены корректно.
2. Неправильная настройка трамблера
Еще одной проблемой может стать неправильная настройка трамблера. Он должен быть настроен в соответствии с требованиями автомобиля. Ошибочная настройка может привести к ухудшению работы двигателя и потере мощности. Для избежания этой проблемы рекомендуется обратиться к опытному специалисту или внимательно изучить инструкцию по настройке трамблера.
3. Повреждение трамблера

Также возможной проблемой может быть повреждение самого трамблера. Это может быть вызвано некачественным исполнением или неправильной эксплуатацией. Если трамблер поврежден, он может не функционировать должным образом и требовать замены или ремонта.
Важно помнить, что при подключении и настройке трамблера газ 2410 шема необходимо быть внимательным и профессиональным. Если возникают проблемы, лучше обратиться к специалисту, чтобы избежать серьезных повреждений или неправильной работы автомобиля.
Какие преимущества имеет трамблер газ 2410 шема перед другими системами зажигания?
Трамблер газ 2410 шема представляет собой современную систему зажигания, которая обладает рядом преимуществ перед другими аналогичными системами:
- Надежность: трамблер газ 2410 шема обладает высоким уровнем надежности, так как имеет простую конструкцию и мало подвержено поломкам.
- Эффективность: благодаря правильно настроенной схеме зажигания, трамблер газ 2410 может обеспечить эффективную работу двигателя. Он обеспечивает оптимальное время поджига смеси, что позволяет повысить мощность двигателя и снизить расход топлива.
- Удобство в использовании: трамблер газ 2410 шема обладает простым и удобным интерфейсом, что позволяет легко настроить и подключить систему к автомобилю.
- Возможность самостоятельной настройки: с помощью трамблера газ 2410 шема можно самостоятельно настроить систему зажигания под нужды конкретного автомобиля. Это позволяет улучшить работу двигателя и достичь оптимального расхода топлива.
Таким образом, трамблер газ 2410 шема является надежной, эффективной и удобной системой зажигания, которая позволяет оптимизировать работу двигателя автомобиля и снизить расход топлива.
Где можно приобрести трамблер газ 2410 шема и какова его стоимость?
Официальные дилеры

Первое место, где можно приобрести трамблер газ 2410 шема, — это официальные дилеры автозавода ГАЗ. Они предлагают оригинальные запчасти и аксессуары для автомобилей ГАЗ. Цены в официальных дилерских центрах обычно выше, но вы можете быть уверены в качестве и подлинности приобретаемого товара.
Интернет-магазины
Еще одно удобное место для поиска трамблера газ 2410 шема — это интернет-магазины. В сети есть много специализированных автомобильных магазинов, где вы сможете найти нужную вам запчасть. При выборе интернет-магазина обратите внимание на его репутацию и отзывы клиентов.
Авторазборки
Если вы предпочитаете более бюджетные варианты, то можно обратиться к авторазборкам. На авторазборках можно приобрести бывшие в употреблении запчасти и аксессуары. Вы можете найти трамблер газ 2410 шема по более низкой цене, но вам может потребоваться некоторое время, чтобы найти нужную деталь.
Цена на трамблер газ 2410 шема может сильно варьироваться в зависимости от места, где вы его приобретаете. В официальных дилерских центрах цена может быть выше из-за гарантии и подлинности детали. В интернет-магазинах и на авторазборках цены могут быть более доступными, но при этом надо быть внимательным, чтобы выбрать качественный товар.
Если вам необходима трамблер газ 2410 шема, рекомендуется изначально ознакомиться с доступными вариантами, провести сравнение цен и выбрать наиболее подходящий вам способ покупки.