ЗИЛ 131 – один из самых популярных и надежных грузовых автомобилей в Советском Союзе. Однако владельцы этой модели часто сталкиваются с проблемой – появлением люфта на рулевом колесе. Люфт рулевого колеса может быть не только неприятным, но и опасным явлением, поэтому необходимо знать, какие причины могут привести к его возникновению и как можно устранить данную проблему.
Одной из основных причин появления люфта на рулевом колесе ЗИЛ 131 является износ или поломка рулевой рейки. Рулевая рейка отвечает за передачу усилия от рулевого колеса к колесам автомобиля. При ее износе или поломке возникает зазор между рулевым колесом и передними колесами, из-за чего возникает игра или люфт. Также причиной появления люфта на рулевом колесе может быть износ или поломка соединительных элементов рулевой системы, таких как шарниры, рулевые наконечники и тяги.
Чтобы устранить люфт рулевого колеса на ЗИЛ 131, необходимо определить причину его возникновения. Если причина – износ или поломка рулевой рейки, то необходимо заменить данную деталь. Замена рулевой рейки – достаточно сложная и трудоемкая процедура, поэтому рекомендуется доверить ее специалистам. Если причиной люфта является износ или поломка соединительных элементов рулевой системы, то необходимо заменить данные детали. Важно отметить, что при замене деталей рулевой системы необходимо использовать только оригинальные запчасти, чтобы гарантировать качество и надежность исправления проблемы.
Возможные причины и методы устранения люфта рулевого колеса ЗИЛ 131

Люфт рулевого колеса ЗИЛ 131 может возникать по разным причинам, и его наличие может серьезно повлиять на управляемость и безопасность автомобиля. Возможные причины появления люфта рулевого колеса ЗИЛ 131 включают:
- Износ или потеря зазоров в подшипниках рулевой колонки;
- Развальные нарушения;
- Повреждения или износ рулевых тяг и рулевых наконечников;
- Повреждения или износ карданного шарнира рулевого механизма;
- Слабость или износ рулевого усилителя;
- Повреждения или износ рулевого механизма.
Для устранения люфта рулевого колеса ЗИЛ 131 необходимо провести следующие мероприятия:
- Проверить и заменить изношенные или поврежденные детали рулевой системы, такие как подшипники, тяги, наконечники и карданный шарнир.
- При необходимости отрегулировать и выровнять развал колес.
- Проверить и обслужить рулевой усилитель, заменить неисправные детали или наладить работу системы.
- Проверить и отрегулировать рулевой механизм, заменить изношенные детали или провести его полное обслуживание.
В случае если причина люфта рулевого колеса ЗИЛ 131 не является очевидной или устранение не удается произвести самостоятельно, рекомендуется обратиться к специалистам для проведения более детальной диагностики и ремонта автомобиля.
Износ рулевой рейки:
Для устранения износа рулевой рейки рекомендуется применять метод ремонта или замены. В случае незначительного износа можно попробовать отрегулировать рулевую рейку, чтобы снизить люфт. Однако, в случае серьезного износа, замена рулевой рейки может быть более эффективным и безопасным решением. При замене рулевой рейки важно установить качественное и надежное запасное изделие, чтобы избежать повторного возникновения проблем.
Износ рулевой рейки является серьезной проблемой, требующей немедленного вмешательства. Регулярное обслуживание автомобиля, включая проверку и замену изношенных деталей, позволит сохранить безопасность и надежность работы рулевой системы ЗИЛ 131.
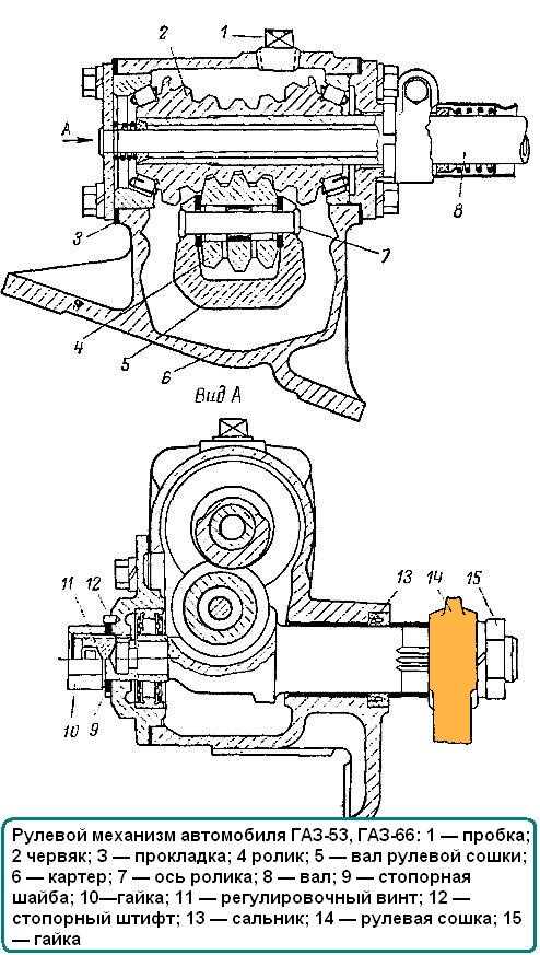
Повреждение рулевого механизма:
Возможные причины повреждения рулевого механизма ЗИЛ 131 могут быть разнообразными и требуют незамедлительного вмешательства для обеспечения безопасности во время движения.
1. Износ рулевых компонентов:
Одна из наиболее распространенных причин люфта рулевого колеса — это износ рулевых компонентов. При эксплуатации автомобиля на большие расстояния или при неправильной настройке геометрии подвески, могут возникать проблемы с рулевыми тягами, шаровыми опорами, пыльниками. Это порождает лишний люфт и требует замены неисправных деталей.
2. Повреждение рулевой рейки:
Повреждение рулевой рейки также может привести к появлению люфта в рулевом колесе ЗИЛ 131. В случае столкновения или интенсивной эксплуатации, рулевая рейка может быть повреждена и требовать замены или ремонта. Это особенно важно в случае обнаружения утечки гидравлической жидкости или необычных звуков при повороте рулевого колеса.
В любом случае, обнаружение люфта рулевого колеса ЗИЛ 131 требует профессионального обслуживания и устранения неисправностей. Игнорирование данной проблемы может привести к потере контроля над автомобилем и серьезным последствиям на дороге. Регулярное техническое обслуживание и жесткое соблюдение рекомендаций производителя поможет избежать повреждений рулевого механизма и обеспечить безопасность во время вождения.
Плохое качество рулевых опор:
Плохое качество рулевых опор может проявляться в нескольких симптомах. Во-первых, наблюдается излишняя подвижность рулевого колеса, которая может быть заметна при повороте автомобиля или при движении по неровной дороге. Во-вторых, возможно появление посторонних шумов, связанных с работой рулевой системы. В-третьих, усилие при повороте рулевого колеса может быть неравномерным или излишне большим.
Для устранения плохого качества рулевых опор и, как следствие, устранения люфта в рулевом колесе ЗИЛ 131, необходимо заменить поврежденные или изношенные рулевые опоры. При этом рекомендуется выбирать запчасти высокого качества, которые соответствуют требуемым стандартам. Также рекомендуется провести диагностику других элементов системы управления автомобилем, чтобы исключить возможность их влияния на возникновение люфта.
Неправильная установка рулевой колонки:
Одной из основных причин люфта рулевого колеса на ЗИЛ 131 может быть неправильная установка рулевой колонки. При монтаже колонки может возникнуть ситуация, когда она недостаточно плотно прикреплена к кузову или подвеске автомобиля. Это может привести к возникновению люфта и неустойчивому поведению рулевого колеса.
Часто неправильная установка рулевой колонки связана с неправильным закреплением подушки безопасности или нарушением правил установки проводов под рулевым колесом. Плохая фиксация колонки может быть вызвана несовпадением размеров и формы отверстия для ее установки или неправильным выбором крепежных элементов.
Методы устранения:
Для устранения неправильной установки рулевой колонки ЗИЛ 131 необходимо рассмотреть следующие шаги:
- Проверить крепление рулевой колонки и подушки безопасности. Обратить внимание на состояние и надежность крепежных элементов.
- Проверить правильность установки проводов и кабелей под рулевым колесом. Убедиться, что провода не перекручены и не зажаты между колонкой и кузовом автомобиля.
- Проверить размеры отверстия для установки колонки и сравнить их с размерами самой колонки. При несовпадении необходимо внести коррективы в конструкцию или заменить детали, чтобы обеспечить надежное крепление.
- При необходимости воспользоваться услугами квалифицированного специалиста, который сможет произвести правильную установку рулевой колонки.
Исправление неправильной установки рулевой колонки является основным шагом к устранению люфта рулевого колеса на ЗИЛ 131. Правильная установка гарантирует надежную и безопасную работу рулевой системы автомобиля.
Смещение резьбовой хвостовики:

Одной из причин возникновения люфта рулевого колеса на ЗИЛ 131 может быть смещение резьбовой хвостовики. Это важный элемент, который обеспечивает правильную работу рулевой системы и устанавливает соединение между рулевым колесом и рулевым валом.
К смещению резьбовой хвостовики может привести неправильная установка или поломка крепежных элементов. Если резьбовая хвостовика смещена, то это может вызывать не только появление люфта в рулевом колесе, но и затруднение при повороте колеса и нестабильность рулевого управления.
Для устранения смещения резьбовой хвостовики требуется провести следующие работы:
- Проверить состояние крепежных элементов и заменить поврежденные или изношенные детали.
- Правильно установить резьбовую хвостовику, соблюдая все требования по затяжке и фиксации.
- Проверить рулевую систему на отсутствие люфта после проведенных работ.
Для проведения данных работ рекомендуется обратиться к профессиональным автомеханикам или специалистам сервисных центров, чтобы быть уверенным в качестве работы и безопасности дальнейшей эксплуатации автомобиля.
Разрушение рулевых наконечников:
Причины разрушения рулевых наконечников на ЗИЛ 131 могут быть следующими:
- Износ и старение материала. В течение эксплуатации рулевые наконечники подвергаются постоянным нагрузкам, что ведет к их износу. При достижении определенного уровня износа материала, наконечник может легко сломаться или оторваться, что приведет к потере управляемости транспортного средства.
- Неправильная установка или неправильно подобранные наконечники. При неправильной установке или использовании некачественных наконечников может происходить их преждевременное разрушение. Недостаточная плотность крепления или плохое соединение может привести к попаданию пыли, грязи и влаги, что снизит срок службы наконечников.
- Неравномерный износ шин. Если шины на ЗИЛ 131 не подлежат регулярной замене и проходят неравномерный износ, это может повлечь за собой дополнительные нагрузки на рулевую систему, в том числе на рулевые наконечники. Механизм рулевой системы будет работать с дополнительными силами, что негативно скажется на наконечниках и может привести к их разрушению.
Для устранения проблемы разрушения рулевых наконечников на ЗИЛ 131 рекомендуется:
- Регулярно проверять состояние и износ рулевых наконечников. Если обнаружены трещины, износ, поломки или любые другие повреждения, наконечники должны быть заменены незамедлительно.
- Устанавливать только качественные и подходящие под модель ЗИЛ 131 рулевые наконечники. При установке необходимо обеспечить плотное и надежное крепление.
- Следить за состоянием и регулярно менять шины, чтобы избежать неравномерного износа и дополнительных нагрузок на рулевые наконечники.
Правильный уход за рулевыми наконечниками и своевременное их обслуживание помогут продлить их срок службы и обеспечить безопасность при управлении ЗИЛ 131.
Ослабление крепежных элементов:
Если крепежные элементы находятся в ослабленном состоянии, они не могут надежно удерживать рулевое колесо и могут вызывать появление люфта. Кроме того, ослабленные элементы могут приводить к неустойчивости рулевой системы и повышенному износу других деталей.
Для устранения люфта, связанного с ослаблением крепежных элементов, необходимо регулярно проверять состояние и затягивать все болты и гайки, отвечающие за крепление рулевого механизма на ЗИЛ 131. Важно следить за тем, чтобы болты были достаточно затянутыми, но не пережатыми, чтобы избежать поломки или деформации крепежных элементов.
Для затягивания крепежных элементов необходимо использовать подходящий инструмент и следовать указаниям производителя. Регулярная проверка и подтягивание крепежных элементов поможет предотвратить появление люфта и сохранить надежную работу рулевой системы ЗИЛ 131.
Утечка гидронасоса рулевой рейки:
Утечка гидронасоса может возникнуть по различным причинам, включая износ уплотнительных колец, повреждение корпуса или трещины на трубках, подводящих гидравлическую жидкость к гидронасосу. В результате утечки гидравлической жидкости уровень жидкости в системе может понижаться, что приводит к недостаточному давлению в рулевой рейке и появлению люфта.
Устранение утечки гидронасоса рулевой рейки может потребовать замены уплотнительных колец или ремонта поврежденных элементов. Для этого необходимо снять гидронасос, проверить его состояние и провести необходимые мероприятия по исправлению проблемы.
Методы устранения утечки гидронасоса рулевой рейки:
| Метод | Описание |
|---|---|
| Замена уплотнительных колец | При обнаружении износа уплотнительных колец необходимо снять гидронасос и заменить старые уплотнительные кольца на новые. Перед установкой новых колец, необходимо очистить поверхности от остатков старых колец и нанести смазку для облегчения установки. |
| Ремонт поврежденных элементов | В случае повреждения корпуса гидронасоса или трубок, подводящих гидравлическую жидкость, необходимо провести ремонт этих элементов. Ремонт может включать сварку трещин, замену поврежденных участков или полную замену элементов. |
| Проверка и настройка системы | После устранение утечки необходимо провести проверку работы всей системы рулевого управления. При необходимости произвести настройку системы и заправку гидравлической жидкостью до рекомендуемого уровня. |
При возникновении люфта рулевого колеса на ЗИЛ 131 рекомендуется обратиться к специалистам для проведения диагностики и устранения проблемы. Необходимо помнить, что работа с гидравлической системой требует специальных знаний и навыков, поэтому самостоятельный ремонт может привести к дополнительным повреждениям и неисправностям.
Плохое состояние рулевых наконечников:

Износ рулевых наконечников может происходить из-за множества факторов, включая неправильную эксплуатацию автомобиля, неровные дороги, несоблюдение правил технического обслуживания и т.д.
Когда рулевые наконечники изнашиваются, то возникает люфт, который приводит к плохому чувству управления автомобилем. Водитель может заметить, что рулевое колесо имеет излишний ход, а маневрирование становится менее точным и предсказуемым.
Методы устранения люфта в рулевом колесе ЗИЛ 131, вызванного плохим состоянием рулевых наконечников, включают замену изношенных наконечников на новые. Чтобы предотвратить повторное возникновение проблемы, рекомендуется также регулярно проверять и обслуживать систему рулевого управления, а также следить за качеством дорожного покрытия и правильной эксплуатацией автомобиля.
Важно помнить, что рулевая система является важной частью безопасности вашего автомобиля, поэтому рекомендуется доверить проверку и ремонт данной системы профессионалам.
Износ сальников рулевой рейки:
Износ сальников может происходить по нескольким причинам. Во-первых, это обычный износ из-за длительной эксплуатации автомобиля. Во-вторых, неправильная установка и регулировка рулевой рейки может приводить к ее дополнительному износу.
Признаки износа сальников рулевой рейки:
Основной признак износа сальников рулевой рейки — это увеличение люфта рулевого колеса. При поворотах рулевого колеса может возникать характерный скрип или стук. Также можно заметить утечку рулевой жидкости вокруг сальников.
Методы устранения износа сальников рулевой рейки:
Для устранения износа сальников рулевой рейки рекомендуется провести их замену на новые. Это можно сделать самостоятельно или обратиться к специалистам автосервиса. В процессе замены необходимо также проверить состояние всех других деталей рулевой системы и произвести необходимую замену или ремонт.
Устранение износа сальников рулевой рейки поможет избежать дальнейшего увеличения люфта рулевого колеса и повысить безопасность вождения автомобиля ЗИЛ 131.
Подтеки рулевого усилителя:
Подтеки рулевого усилителя на ЗИЛ 131 могут возникать по разным причинам. Это может быть связано с износом уплотнительных колец, повреждением прокладок или деформацией корпуса усилителя. Также подтеки могут быть вызваны неправильно установленными или слабо затянутыми соединениями.
Для устранения подтеков рулевого усилителя необходимо провести осмотр и диагностику его состояния. В случае обнаружения износа уплотнительных колец или повреждений прокладок, необходимо провести их замену. При деформации корпуса усилителя может потребоваться его ремонт или замена.
Помимо замены поврежденных элементов, необходимо также проверить и затянуть все соединения, связанные с рулевым усилителем. Неправильно установленные или слабо затянутые соединения могут привести к образованию подтеков.
Важно отметить, что рулевой усилитель является важной деталью системы управления автомобилем, поэтому любые подтеки следует устранять незамедлительно. В противном случае, возможно ухудшение рулевого управления и потеря контроля над автомобилем.
Для более точного определения причины подтеков и выбора оптимального способа их устранения рекомендуется обратиться к специалистам автосервиса.
Неправильное создание гидроудара:
Часто причина неправильного создания гидроудара заключается в неправильном монтаже или повреждении гидроцилиндра, гидрораспределителя или других элементов системы рулевого управления. При неправильном создании гидроудара, гидравлическое давление не передается равномерно по всей системе, что может вызывать износ и повреждение частей рулевого механизма, а следовательно, и появление люфта на рулевом колесе.
Для устранения проблемы с гидроударом необходимо провести комплексную диагностику и ремонт системы рулевого управления. Это включает в себя проверку и регулировку гидропроводов, замену поврежденных элементов, а также правильный монтаж и сопряжение гидроусилителя рулевого управления с остальными частями системы. Также рекомендуется проводить регулярное обслуживание и контроль состояния всех элементов рулевого механизма, чтобы предотвратить возникновение люфта в будущем.
| Причины возникновения люфта рулевого колеса ЗИЛ 131: Методы устранения люфта рулевого колеса ЗИЛ 131: | |
|---|---|
| Износ или повреждение рулевых тяг и опорных подшипников | Замена изношенных деталей и использование качественных запасных частей |
| Неправильное создание гидроудара | Диагностика и ремонт системы рулевого управления, проверка и регулировка гидропроводов, замена поврежденных элементов, правильный монтаж и сопряжение гидроусилителя рулевого управления |
| Повреждение рулевого привода или рулевого механизма | Ремонт или замена поврежденных деталей |