Система охлаждения играет важную роль в работе каждого автомобиля, в том числе и Форд Фокуса 1. Эта система предназначена для управления температурой двигателя и предотвращения его перегрева. Она состоит из нескольких компонентов, которые работают вместе для обеспечения оптимальной работы двигателя.
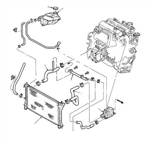
Основной компонент системы охлаждения Форд Фокуса 1 — радиатор. Он располагается в передней части автомобиля и служит для охлаждения охлаждающей жидкости, которая циркулирует в системе. Когда двигатель работает, охлаждающая жидкость нагревается и поступает в радиатор, где она охлаждается воздухом, поступающим извне через переднюю решетку автомобиля. После охлаждения жидкость циркулирует обратно в двигатель, принимая тепло от него.
В процессе работы системы охлаждения Форд Фокуса 1 используется еще один важный компонент — термостат. Это устройство контролирует температуру охлаждающей жидкости, открываясь или закрываясь в зависимости от необходимости. Когда двигатель холодный, термостат остается закрытым, чтобы жидкость быстрее нагревалась. Когда двигатель достигает определенной температуры, термостат открывается и позволяет охлаждающей жидкости циркулировать в системе радиатора.
Важно отметить, что система охлаждения Форд Фокуса 1 также включает водяной насос. Это устройство отвечает за циркуляцию охлаждающей жидкости по всей системе. Оно помогает поддерживать плавность движения жидкости и ее охлаждение в радиаторе. Водяной насос приводится в действие ремнем привода (обычно через коленчатый вал двигателя) и позволяет охлаждающей жидкости постоянно циркулировать, поддерживая оптимальную температуру двигателя Фокуса 1.
Система охлаждения Форд Фокус 1: основные детали и работа

Основные компоненты системы охлаждения:
- Радиатор. Это основной элемент системы охлаждения, в котором происходит отвод избыточного тепла. Радиатор состоит из множества тонких трубок, в которых циркулирует охлаждающая жидкость.
- Насос. Он отвечает за циркуляцию охлаждающей жидкости в системе. Насос прокачивает охлаждающую жидкость из радиатора в двигатель и обратно.
- Термостат. Это устройство, которое контролирует температуру охлаждающей жидкости. Он автоматически открывается и закрывается, позволяя или препятствуя циркуляции охлаждающей жидкости, в зависимости от текущей температуры двигателя.
- Вентилятор охлаждения. Он активируется при повышенной температуре двигателя и служит для увеличения потока воздуха через радиатор.
- Емкость для охлаждающей жидкости. Здесь находится необходимое количество охлаждающей жидкости, которая поддерживает температурный режим двигателя.
Работа системы охлаждения начинается с того, что насос прокачивает охлаждающую жидкость из радиатора в двигатель. Далее она циркулирует вокруг цилиндров и собирает тепло, выделяемое двигателем. Горячая охлаждающая жидкость поднимается в радиатор и передает тепло воздуху, который проходит через тонкие трубки радиатора.
Термостат контролирует температуру охлаждающей жидкости. Если температура поднимается выше установленного уровня, термостат открывается, позволяя охлаждающей жидкости циркулировать в радиаторе и охлаждаться. При достижении оптимальной температуры термостат закрывается, ограничивая циркуляцию и поддерживая температурный режим двигателя.
В случае повышенной температуры двигателя, включается вентилятор охлаждения. Он увеличивает поток воздуха через радиатор, помогая охлаждению жидкости. Вентилятор может быть механическим, приводимым в действие приводом от ремня, или электрическим, управляемым электронным блоком.
Система охлаждения Форд Фокус 1 способна эффективно справляться с охлаждением двигателя в различных условиях эксплуатации. Однако, регулярное обслуживание и проверка компонентов системы охлаждения, а также своевременная замена охлаждающей жидкости помогут поддерживать ее работоспособность на высоком уровне и предотвратить возможные поломки.
Цель системы охлаждения
Система охлаждения осуществляет регулирование температуры путем циркуляции охлаждающей жидкости по двигателю и радиатору. Она также выполняет функцию подогрева двигателя в начальный период работы для обеспечения более быстрого достижения его оптимальной рабочей температуры.
Главными компонентами системы охлаждения являются водяной насос, радиатор, термостат, вентилятор и расширительный бачок. Работа системы основана на циркуляции охлаждающей жидкости с использованием водяного насоса, который помогает регулировать ее поток и давление.
Термостат контролирует температуру охлаждающей жидкости, открывая или закрывая лопатки в зависимости от ее температуры. Когда двигатель холодный, термостат закрыт, позволяя двигателю быстрее нагреваться. После достижения определенной температуры термостат открывается, позволяя охлаждающей жидкости пройти через радиатор и охладиться.
Вентилятор срабатывает при повышенной температуре двигателя и охлаждающей жидкости. Он выдувает горячий воздух из радиатора, помогая его охлаждению. Расширительный бачок служит для компенсации расширения охлаждающей жидкости при нагреве и ее сужения при охлаждении, обеспечивая постоянное давление в системе.
Система охлаждения играет важную роль в работе двигателя автомобиля Ford Focus 1, обеспечивая его надежную и безопасную работу в различных условиях эксплуатации.
Важность системы охлаждения
Система охлаждения в автомобиле необходима для поддержания оптимальной температуры двигателя. Она обеспечивает охлаждение различных компонентов двигателя, предотвращая их перегрев и повреждение. Без эффективной системы охлаждения двигатель может перегреться, что может привести к серьезным поломкам и даже полной поломке двигателя.
Принцип работы системы охлаждения состоит в циркуляции охлаждающей жидкости через двигатель и радиатор. В результате этой циркуляции жидкость поглощает тепло от двигателя и передает его в радиатор, где оно отводится в окружающую среду.
Компоненты системы охлаждения Форд Фокус 1:
- Радиатор
- Вентилятор
- Термостат
- Расширительный бачок
- Водяной насос
- Термостатический корпус
- Система охлаждения поддерживает стабильную температуру работы двигателя, обеспечивает максимальную эффективность работы и продлевает срок его службы.
Регулярное обслуживание системы охлаждения
Регулярное обслуживание системы охлаждения является важным аспектом поддержания надежности автомобиля. Оно включает в себя проверку уровня и состояния охлаждающей жидкости, проверку работы вентилятора и других компонентов системы, а также замену охлаждающей жидкости согласно рекомендациям производителя.
Избегайте перегрева двигателя и проблем с системой охлаждения, следуя рекомендациям по обслуживанию и не игнорируя признаки неисправности, такие как повышение температуры охлаждающей жидкости, утечки или шумы. Система охлаждения является одной из наиболее важных систем в автомобиле, поэтому должна быть в идеальном состоянии для обеспечения надежной и безопасной езды.
Радиатор и его особенности
Конструкция радиатора
Радиатор в системе охлаждения Форд Фокус 1 представляет собой узкую и плоскую металлическую конструкцию с продольными ребрами. Внутри радиатора расположены трубки, через которые проходит охлаждающая жидкость. Между трубками прокладываются алюминиевые пластины, создающие поверхность для эффективного теплообмена.
Принцип работы радиатора
Охлаждающая жидкость под высоким давлением попадает в радиатор через верхнюю горизонтальную трубку и равномерно распределяется по всей поверхности радиатора. При этом тепло, накопленное в охлаждающей жидкости, передается алюминиевым пластинам и далее отводится в окружающую среду через ребра радиатора.
Охлажденная жидкость возвращается в двигатель через нижнюю горизонтальную трубку радиатора. Таким образом, радиатор обеспечивает постоянный циркуляцию охлаждающей жидкости и поддерживает оптимальную температуру в двигателе без перегрева.
Важность радиатора
Радиатор играет ключевую роль в системе охлаждения Форд Фокус 1, поэтому его неправильная работа может привести к серьезным проблемам с двигателем. Засорение радиатора может привести к недостаточному охлаждению и перегреву двигателя, а утечка охлаждающей жидкости из радиатора может вызвать его поломку.
Однако, при правильной эксплуатации и своевременном обслуживании радиатор является надежным элементом системы охлаждения, обеспечивая оптимальную работу двигателя и повышая долговечность автомобиля Ford Focus 1.
Охлаждающая жидкость и ее функции
В системе охлаждения Форд Фокус 1 используется охлаждающая жидкость, которая выполняет несколько важных функций.
Функции охлаждающей жидкости:
- Охлаждение двигателя
- Защита от замерзания
- Предотвращение коррозии
- Поддержание оптимальной рабочей температуры
Охлаждающая жидкость осуществляет охлаждение двигателя путем циркуляции по системе охлаждения. Когда двигатель работает, он вырабатывает большое количество тепла, которое необходимо распределить и удалить из двигателя. Охлаждающая жидкость подаетсв из радиатора в блок цилиндров и отводит тепло, позволяя двигателю сохранять рабочую температуру.
Кроме того, охлаждающая жидкость защищает двигатель от замерзания. В низкотемпературных условиях охлаждающая жидкость не должна замерзать и сохранять свою текучесть, чтобы предотвратить повреждения двигателя. Поэтому важно проверять и поддерживать правильную концентрацию охлаждающей жидкости, которая обеспечивает защиту до определенного минусового уровня.
Кроме того, охлаждающая жидкость также предотвращает коррозию и образование накипи в системе охлаждения. Она содержит специальные присадки, которые предотвращают образование отложений и коррозию металлических деталей системы.
И наконец, охлаждающая жидкость помогает поддерживать оптимальную рабочую температуру двигателя. Она адаптируется к условиям работы двигателя и способствует поддержанию стабильного теплового режима двигателя вне зависимости от температуры окружающей среды.
В итоге, охлаждающая жидкость играет важную роль в системе охлаждения Форд Фокус 1. Она обеспечивает надежное охлаждение двигателя, защиту от замерзания и коррозии, а также поддерживает оптимальную рабочую температуру, что способствует длительной и надежной работе автомобиля.
Насос и его роль в системе охлаждения
В системе охлаждения автомобиля Форд Фокус 1 насос играет ключевую роль. Он отвечает за циркуляцию охлаждающей жидкости по всему контуру системы охлаждения, обеспечивая оптимальную температуру двигателя.
Насос размещен на передней части двигателя и приводится в действие ременной передачей от коленчатого вала двигателя. Его основной элемент — это крыльчатка, вращающаяся внутри охладительного канала двигателя и принудительно подталкивающая охлаждающую жидкость к радиатору.
Используется циркуляционный насос, который работает на принципе центробежного насоса. Крыльчатка вращается, создавая разрежение внутри охладительного канала и всасывая охлаждающую жидкость из радиатора. Затем она подается к горячему двигателю, где происходит охлаждение металлической поверхности.
После охлаждения жидкость возвращается обратно в радиатор, где происходит ее дальнейшее охлаждение за счет прохождения через тонкие гофрированные каналы радиатора. Затем охлажденная жидкость вновь циркулирует по двигателю, обеспечивая его эффективное охлаждение.
| Преимущества | Недостатки |
|---|---|
| Обеспечивает регулярную циркуляцию охлаждающей жидкости | Требует регулярного технического обслуживания и замены |
| Оптимальное охлаждение двигателя | Возможно возникновение неполадок, требующих ремонта или замены насоса |
| Предотвращает перегрев двигателя и его повреждение | Дополнительные расходы на замену или ремонт |
Термостат и его задачи
Работа термостата основана на использовании воскоподобного материала, который при нагревании расширяется и открывает клапан внутри термостата. Это позволяет охлаждающей жидкости пройти через радиатор, охлаждаясь. При достижении определенной температуры двигателя, термостат автоматически закрывает клапан, препятствуя движению охлаждающей жидкости через радиатор. Это позволяет двигателю быстрее нагреться до оптимальной рабочей температуры и поддерживать ее стабильной в течение всего времени работы.
Термостат также выполняет другую важную задачу — предотвращает перегрев двигателя. Если температура двигателя становится чрезмерно высокой, термостат автоматически открывает клапан и позволяет охлаждающей жидкости пройти через радиатор для дополнительного охлаждения. Это помогает предотвратить повреждение двигателя и сохранить его работоспособность на длительном промежутке времени.
Таким образом, термостат играет важную роль в поддержании оптимальной температуры двигателя и предотвращении его перегрева. Регулярная проверка и замена термостата при необходимости поможет поддерживать эффективность работы системы охлаждения автомобиля и повысит надежность двигателя.
Вентилятор и его использование
Принцип работы вентилятора основан на использовании электромотора. Когда температура двигателя достигает определенного уровня, датчик температуры передает сигнал на управляющую систему, что в свою очередь включает вентилятор.
Вентилятор располагается перед радиатором системы охлаждения. Он выдувает воздух через ребра радиатора, что способствует усилению процесса охлаждения. Вентиляторы могут быть разных типов: электрические и механические. Более распространенным является электрический вентилятор, поскольку он обеспечивает более эффективное охлаждение.
У электрического вентилятора есть ряд преимуществ. Во-первых, он работает независимо от работы двигателя, что позволяет охлаждать двигатель еще и после его выключения. Во-вторых, его работу можно регулировать. Например, в зависимости от температуры воздуха или скорости движения автомобиля. Контроль работы вентилятора осуществляется блоком управления.
Преимущества электрического вентилятора
Электрический вентилятор позволяет эффективно регулировать процесс охлаждения двигателя. Регулировка скорости вращения его лопастей осуществляется благодаря управляющей системе, что позволяет поддерживать оптимальный уровень охлаждения при различных условиях эксплуатации автомобиля.
Таблица: Сравнение электрического и механического вентилятора
| Параметр | Электрический вентилятор | Механический вентилятор |
|---|---|---|
| Работа независимо от работы двигателя | Да | Нет |
| Регулировка скорости вращения | Да | Нет |
| Эффективность охлаждения | Высокая | Средняя |
Вентилятор является одной из важных составляющих системы охлаждения Форд Фокус 1. За счет электрического вентилятора достигается эффективный процесс охлаждения двигателя, что способствует увеличению его срока службы и надежности.
Шланги и их роль в циркуляции охлаждающей жидкости
Основная функция шлангов — перекачивание охлаждающей жидкости между радиатором, двигателем и насосом охлаждения. Шланги предназначены для передачи охлаждающей жидкости под давлением и обеспечения ее циркуляции в системе охлаждения автомобиля.
Шланги системы охлаждения Форд Фокус 1 изготовлены из гибкого материала, который позволяет им легко изгибаться и приспосабливаться к форме компонентов системы. Они обычно имеют внутреннюю текстуру для повышения эффективности циркуляции охлаждающей жидкости.
Каждый шланг системы охлаждения имеет определенную функцию и место установки. Например, шланги между радиатором и двигателем обеспечивают циркуляцию охлаждающей жидкости для охлаждения двигателя. Шланги, соединяющие насос охлаждения и радиатор, отвечают за перекачивание охлаждающей жидкости.
Шланги системы охлаждения подвержены влиянию высоких температур и давления, поэтому они должны быть изготовлены из прочных материалов, которые обладают высокой термостойкостью. В случае повреждения или утечки охлаждающей жидкости из шлангов, рекомендуется заменить их профессиональными специалистами.
Учитывая важность циркуляции охлаждающей жидкости для поддержания оптимальной работы двигателя и предотвращения перегрева, регулярная проверка состояния шлангов является неотъемлемой частью обслуживания системы охлаждения Форд Фокус 1.
Поэтому, при обнаружении каких-либо признаков износа, повреждений или утечек охлаждающей жидкости из шлангов, необходимо обратиться к специалистам для замены шлангов и обеспечения надежной циркуляции охлаждающего средства. Только так можно гарантировать эффективное охлаждение двигателя и сохранение его работоспособности.
Бачок расширительный и его функции
1. Компенсация расширения охлаждающей жидкости
Основная функция бачка расширительного заключается в том, чтобы компенсировать расширение охлаждающей жидкости при ее нагреве. Когда двигатель работает и система охлаждения поддерживает оптимальную температуру, охлаждающая жидкость нагревается, что влечет за собой увеличение ее объема. Бачок расширительный позволяет этому избытку жидкости выходить за пределы системы охлаждения, предотвращая повышение давления и возможное повреждение других компонентов.
2. Регулировка уровня охлаждающей жидкости
Бачок расширительный также играет роль резервуара, в котором содержится некоторое количество охлаждающей жидкости, предназначенной для поддержания оптимального уровня в системе охлаждения. Если уровень жидкости упадет в результате утечки или испарения, бачок позволяет долить дополнительную жидкость в систему, не прерывая работы двигателя. Это особенно полезно в случае небольших потерь жидкости, таких как незначительные утечки.
Теплообменник и его принцип работы
Принцип работы теплообменника состоит в том, что он позволяет передавать тепло от охлаждающей жидкости двигателя к воздуху, чтобы охладить ее и обеспечить оптимальную температуру работы двигателя. При этом происходит теплообмен между охлаждающей жидкостью и воздухом, который проходит через узкие промежутки между пластинами.
Охлаждающая жидкость, насыщенная теплом от двигателя, поступает в теплообменник через входной патрубок. При прохождении через спиральные каналы она обдувается воздухом, поступающим снаружи через решетку переднего бампера. В результате теплообмена тепло переходит от охлаждающей жидкости на поверхность пластин и затем от пластин на воздух.
Охлажденная охлаждающая жидкость выходит из теплообменника через выходной патрубок и возвращается в двигатель, чтобы продолжить циркуляцию и охлаждение. Таким образом, теплообменник играет важную роль в системе охлаждения, обеспечивая надежное и эффективное охлаждение двигателя Форд Фокус 1.
Проблемы с системой охлаждения и их решение
Система охлаждения автомобиля Форд Фокус 1 играет важную роль в поддержании оптимальной температуры двигателя. В случае возникновения проблем с системой охлаждения, могут возникнуть серьезные поломки и повреждения, которые потребуют ремонта или замены деталей. В этом разделе мы рассмотрим некоторые распространенные проблемы с системой охлаждения Форд Фокус 1 и возможные способы их решения.
1. Перегрев двигателя. Одной из наиболее распространенных проблем с системой охлаждения является перегрев двигателя. Это может быть вызвано различными причинами, такими как низкий уровень охлаждающей жидкости, поломка термостата или неправильная работа вентилятора охлаждения. Для решения этой проблемы, необходимо проверить уровень охлаждающей жидкости, заменить или отремонтировать термостат, а также проверить работу вентилятора охлаждения.
2. Утечка охлаждающей жидкости. Другой распространенной проблемой является утечка охлаждающей жидкости. Утечка может происходить из различных мест, таких как радиатор, шланги или прокладки. Для решения этой проблемы необходимо определить место утечки и заменить или отремонтировать поврежденные детали.
3. Засорение радиатора. Засорение радиатора является еще одной проблемой, которая может возникнуть в системе охлаждения. Засорение может быть вызвано накоплением грязи, пыли или остатков антифриза в радиаторе. Для решения этой проблемы, необходимо промыть радиатор или заменить его, если засорение слишком серьезное.
4. Неправильное функционирование термостата. Если термостат не работает должным образом, то это может привести к перегреву двигателя или его недостаточному охлаждению. Для решения этой проблемы, необходимо заменить термостат на новый, исправный экземпляр.
5. Неисправность вентилятора охлаждения. Если вентилятор охлаждения не работает или работает неправильно, то двигатель может перегреваться. Для решения этой проблемы, необходимо проверить электрические соединения вентилятора, заменить его или отремонтировать, при необходимости.
Решение проблем с системой охлаждения автомобиля Форд Фокус 1 требует навыков и опыта в автомобильном ремонте. Если вы не уверены в своих навыках, рекомендуется обратиться к профессиональному автомеханику для проведения диагностики и ремонта. Своевременное обращение к специалисту поможет избежать серьезных последствий и сохранить исправное состояние системы охлаждения вашего автомобиля.
Регулярный уход за системой охлаждения
- Проверяйте уровень охлаждающей жидкости. Регулярно проверяйте уровень охлаждающей жидкости в расширительном бачке системы охлаждения. Если уровень ниже маркировки MIN или MINIMUM, добавьте охлаждающую жидкость до нужного уровня. При этом не забудьте использовать охлаждающую жидкость, рекомендованную производителем автомобиля.
- Проверяйте состояние ремней. Регулярно проверяйте состояние ремней, отвечающих за привод вспомогательных агрегатов, включая вентилятор системы охлаждения. Если ремень изношен или натяжение недостаточное, замените его.
- Очищайте радиатор. Регулярно чистите радиатор от пыли, насекомых и других загрязнений. Для этого можно использовать мягкую щетку или сжатый воздух. Чистый радиатор позволит системе охлаждения работать эффективнее.
- Проверяйте термостат. Регулярно проверяйте работу термостата системы охлаждения. Если термостат не открывается или не закрывается должным образом, замените его.
- Проверяйте наличие утечек. Регулярно проверяйте систему охлаждения на наличие утечек или повреждений. Внимательно осмотрите все соединения, шланги и радиатор. Если обнаружены утечки, устраните их или замените поврежденные детали.
Выполняя эти рекомендации по регулярному уходу за системой охлаждения Форд Фокус 1, вы поможете поддерживать надежную и эффективную работу двигателя, а также продлите срок службы системы охлаждения в целом.