Компонентная акустика – это один из самых популярных способов улучшить звук в автомобиле. Она позволяет достичь высокой четкости и качества звучания благодаря разделению аудиосигнала на различные диапазоны частот.
Однако, подключение компонентной акустики без кроссовера к магнитоле может вызвать определенные сложности. Кроссовер обычно отвечает за правильное распределение частот на динамики, и без него возможно искажение звучания и повреждение акустической системы.
В этом руководстве мы расскажем вам о нескольких способах подключения компонентной акустики без кроссовера к магнитоле. Мы рекомендуем ознакомиться со всеми способами и выбрать подходящий для вашего автомобиля.
Подключение компонентной акустики без кроссовера к магнитоле — пошаговое руководство
Если вы хотите установить компонентную акустику без кроссовера к магнитоле, следуйте этому пошаговому руководству. Компонентная акустика предоставляет более высокое качество звука и улучшенную четкость воспроизведения, поэтому это стоит сделать, если у вас есть возможность и желание.
Шаг 1: Разместите динамики. Устройства компонентной акустики состоят из динамиков низких частот или вуферов, динамиков высоких частот или твитеров и кроссовера. Разместите вуферы в передних дверях автомобиля или на задней полке, а твитеры — на передних стойках. Убедитесь, что места установки не будут помехой для пассажиров или нагромождением собственных предметов.
Шаг 2: Подключите кабели. Используйте кабели высокого качества для соединения акустической системы. Кабели должны быть достаточно длинными, чтобы достичь от магнитолы до каждого динамика. Для каждого динамика также понадобятся разъемы и гнезда, чтобы обеспечить прочное подключение.
Шаг 4: Подключите твитеры. Подключите провода от твитеров к выходам магнитолы или усилителя. Твитеры обычно не нуждаются в сплиттерном адаптере, так как магнитолы и усилители обычно имеют отдельные выходы на низкие и высокие частоты.
Шаг 5: Проверьте подключение. После завершения подключения, включите магнитолу и проверьте звук на всех динамиках. Убедитесь, что все динамики работают и звук воспроизводится без искажений. Если звук не работает или звучит плохо, проверьте провода и подключение, а также настройки магнитолы или усилителя.
Вот и все! Теперь у вас есть компонентная акустика без кроссовера, которая позволяет насладиться качественным звуком в автомобиле. Помните, что правильная установка и подключение акустической системы имеет большое значение для достижения наилучшего качества звука.
Понимание разницы между компонентной акустикой и коаксиальной
Компонентная акустика
Компонентная акустика состоит из нескольких отдельных компонентов, таких как отдельные динамики для нч- и вч-диапазонов, а также кроссовера. Динамики устанавливаются в разных местах автомобиля, чтобы достичь оптимального распределения звука и обеспечить превосходное звучание.
Компонентная акустика обеспечивает более точное и четкое воспроизведение звука за счет отдельных динамиков по разным частотным диапазонам. Высокочастотные динамики (вч-драйверы) часто размещаются на панели приборов, чтобы создать пространственное звучание, а низкочастотные динамики (нч-динамики) — на дверях или в задней полке для низких частот.
Коаксиальная акустика
Коаксиальная акустика, также известная как двухполосная акустика, объединяет все динамики в одном устройстве. Она состоит из нч-динамика для низких частот и дополнительного вч-драйвера (обычно наружу или внутрь нч-динамика).
Коаксиальная акустика проще установить и требует меньше места, чем компонентная акустика. Однако она не обеспечивает такое высокое качество звука, как компонентная акустика, поскольку динамики находятся в одном месте и не могут быть оптимально размещены.
| Компонентная акустика | Коаксиальная акустика |
|---|---|
| Отдельные динамики для нч и вч-диапазонов | Объединенные динамики в одном устройстве |
| Более точное и четкое воспроизведение звука | Простой в установке и экономия места |
| Более сложная установка и подключение | Более простая установка и подключение |
| Необходимость использования кроссовера | Отсутствие необходимости использования кроссовера |
При выборе между компонентной и коаксиальной акустикой рекомендуется учесть ваши предпочтения в качестве звука, бюджет, уровень сложности установки и пространство в автомобиле. Оба варианта могут быть отличным улучшением для стандартной акустики и позволят вам наслаждаться лучшим качеством звука в автомобиле.
Какие преимущества у компонентной акустики без кроссовера
Компонентная акустика без кроссовера имеет ряд преимуществ, которые делают ее привлекательным выбором для автомобильного аудио.
1. Высокое качество звука: По сравнению с коаксиальными системами, компонентная акустика без кроссовера способна воспроизводить звук более точно и подробно. Отдельные динамики для высоких, средних и низких частот обеспечивают более четкое разделение звукового спектра и улучшенную детализацию музыки.
2. Гибкость настройки: Без использования кроссовера, можно самостоятельно настроить комбинацию динамиков, чтобы достичь желаемого звучания. Это позволяет оптимизировать звук под ваши предпочтения в музыке.
3. Улучшенная сцена и направленность звука: Благодаря отдельным динамикам для каждого диапазона частот, компонентные системы создают более широкую и точную звуковую сцену. Это позволяет вам ощутить, как будто музыканты играют прямо перед вами.
4. Возможность улучшить звучание с помощью внешних усилителей: Компонентная акустика без кроссовера часто требует использования внешнего усилителя для максимального выхода. Это открывает возможности для дополнительного улучшения звучания вашей системы с помощью усилителей высокой мощности.
5. Расширенные возможности апгрейда: По мере развития вашей аудио системы, компонентная акустика без кроссовера предоставляет больше возможностей для апгрейда. Вы можете добавить сабвуферы, заменить фабричные динамики или подключить усилители для улучшения еще больше.
В итоге, компонентная акустика без кроссовера является отличным выбором для тех, кто хочет получить высокое качество звука и настройку под собственные предпочтения. Это идеальное решение для тех, кто хочет создать настоящее концертное звучание в своем автомобиле.
Основные компоненты компонентной акустики без кроссовера
Компонентная акустика без кроссовера состоит из нескольких основных компонентов, каждый из которых играет свою роль в процессе воспроизведения звука. Вот некоторые из этих компонентов:
1. НЧ (низкочастотный) динамик

НЧ динамик отвечает за воспроизведение низких частот звука. Он имеет большой размер и специальную конструкцию, которая позволяет выдавать глубокие и мощные басы. НЧ динамик обычно устанавливается в дверях автомобиля или в задней полке.
2. ВЧ (высокочастотный) динамик
ВЧ динамик отвечает за воспроизведение высоких частот звука. Он имеет маленький размер и обеспечивает четкий и детализированный звук. ВЧ динамик обычно устанавливается на передней панели автомобиля или на задней полке.
3. Кроссовер
Кроссовер является ключевым компонентом компонентной акустики без кроссовера. Он разделяет входящий аудиосигнал на различные частотные диапазоны и направляет их на соответствующие динамики. Кроссовер позволяет каждому динамику воспроизводить только определенные частоты, что обеспечивает более качественное звучание.
В таблице ниже представлены основные компоненты компонентной акустики без кроссовера и их функции: Компонент Функция
При правильной установке и настройке компонентной акустики без кроссовера можно достичь высококачественного звучания в автомобиле. Важно помнить о том, что каждый компонент играет свою роль и должен быть подобран с учетом других компонентов для достижения наилучшего результата.
Как выбрать правильные динамики для компонентной акустики без кроссовера
Вот несколько важных аспектов, которые следует учитывать при выборе динамиков для компонентной акустики без кроссовера:
- Частотный диапазон: При выборе динамиков, обратите внимание на их частотный диапазон. Он должен покрывать верхние и нижние частоты, чтобы обеспечить полноценное звучание.
- Мощность: Убедитесь, что выбранные динамики имеют достаточную мощность для вашей аудиосистемы. Недостаточная мощность может привести к искажениям звука или даже повреждению динамиков.
- Размер и форма: Выберите динамики, которые соответствуют размеру и форме динамических отверстий вашего автомобиля. Это поможет обеспечить правильную установку и оптимальное распределение звука.
- Качество материалов: Обратите внимание на качество материалов, из которых изготовлены динамики. Высококачественные материалы обеспечивают долговечность и лучшую передачу звука.
- Бренд и репутация: При выборе динамиков обратите внимание на репутацию производителя. Известные бренды часто предлагают более надежные изделия и более широкий выбор.
Не забывайте, что правильные динамики — это лишь часть успешной установки компонентной акустики без кроссовера. Другие факторы, такие как установка, настройка и качество источника звука тоже важны. Принимайте во внимание все аспекты, чтобы создать идеальное звучание для вашего автомобиля.
Как установить динамики в автомобиле для компонентной акустики без кроссовера
Установка компонентной акустики в автомобиле может значительно улучшить звуковое воспроизведение и качество звука. Однако, подключение компонентных динамиков без использования кроссовера может оказаться сложной задачей. Несоблюдение правильной установки может привести к искаженному звуку и повреждению динамиков.
Вот пошаговое руководство о том, как правильно установить динамики для компонентной акустики без кроссовера в автомобиле:
| Шаг | Описание |
|---|---|
| 1. | Выберите подходящее место для установки динамиков. Рекомендуется выбирать место, которое обеспечивает наилучшую акустическую среду и минимизирует вибрации от двигателя и других элементов автомобиля. |
| 2. | После выбора места, снимите существующие динамики, если они есть. Это можно сделать с помощью инструментов, специально предназначенных для демонтажа автомобильных элементов. |
| 3. | Подготовьте динамики для установки. Убедитесь, что все провода подключены правильно, и нет повреждений или обрывов. Также убедитесь, что болты и гайки для установки динамиков в комплекте. |
| 4. | Поставьте динамики на выбранное место и закрепите их с помощью болтов или гаек. Обратитесь к инструкции к динамикам, чтобы узнать, как правильно закрепить их. |
| 5. | Подключите динамики к магнитоле. В случае компонентной акустики без кроссовера нужно подключить каждый динамик напрямую к соответствующему аудиовыходу магнитолы. Расположение аудиовыходов может различаться в зависимости от модели магнитолы, поэтому следуйте инструкции к магнитоле. |
| 6. | Проверьте подключение и настройки магнитолы. Убедитесь, что динамики работают корректно и нет искажений звука. В случае необходимости можно воспользоваться эквалайзером магнитолы для настройки звучания. |
Важно помнить, что установка компонентной акустики без кроссовера требует дополнительных знаний и экспертизы. Если у вас нет опыта в автомобильной акустике, рекомендуется обратиться к специалисту, который поможет с процессом установки.
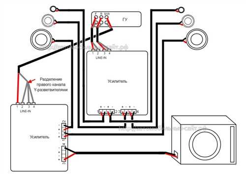
Как подключить динамики к магнитоле для компонентной акустики без кроссовера
Подключение динамиков к магнитоле без использования кроссовера может быть сложным процессом, но с правильными инструкциями это становится возможным. В этой статье мы расскажем, как правильно подключить компонентную акустическую систему без использования кроссовера.
Обзор компонентной акустики
Компонентная акустика состоит из отдельных динамиков, включая вуферы, среднечастотные и высокочастотные динамики. Каждый динамик специализируется на воспроизведении определенного диапазона частот, что позволяет получить более качественное звучание по сравнению с обычной коаксиальной акустикой.
Необходимость отсутствия кроссовера
Некоторые автомобильные магнитолы имеют встроенные кроссоверы, предназначенные для разделения сигнала на разные диапазоны частот и отправки их на соответствующие динамики. Однако, вам может понадобиться отключить встроенный кроссовер, чтобы использовать внешний активный или пассивный кроссовер для лучшей настройки звучания.
Подключение динамиков без кроссовера
- При подключении компонентной акустики без использования кроссовера, вы будете подключать каждый динамик напрямую к магнитоле.
- Подключите положительную клемму каждого динамика к соответствующему выходу магнитолы, и отрицательную клемму — к земле магнитолы. Убедитесь, что все соединения прочные и надежные.
- Настройте панель управления магнитолы на баланс и фейд, чтобы сбалансировать динамики и получить оптимальное звучание.
Несмотря на отсутствие кроссовера, качественное звучание может быть достигнуто, если правильно подключить компонентную акустику к магнитоле. Важно следовать указанным инструкциям и проверить все соединения перед тем, как закрыть панель автомобиля. Регулярная проверка на работоспособность системы также поможет вам поддерживать качественное звучание на протяжении всего времени использования компонентной акустики без кроссовера.
Правильная настройка тональности и баланса компонентной акустики без кроссовера
Подключение компонентной акустики без использования кроссовера требует правильной настройки тональности и баланса звука. В этом разделе предоставлены рекомендации по настройке акустики для достижения максимально качественного и сбалансированного звучания.
1. Начните с проверки положения колонок в вашем автомобиле. Идеальное расположение колонок обеспечивает оптимальное звучание, поэтому регулируйте положение, чтобы достичь наилучшего результат.
2. Подключите компонентную акустику к магнитоле в соответствии с руководством по установке. Убедитесь, что все провода подключены к правильным выходам на магнитоле.
3. Перейдите к настройке тональности и баланса:
| Настройка | Описание |
|---|---|
| Тембр | Регулируйте настройки басов, средних и высоких частот для достижения желаемого звучания. Играйте с этими настройками, чтобы найти оптимальное соотношение. |
| Баланс | Настройте баланс между передними и задними колонками для создания симметричного звучания. Это особенно важно, если в вашем автомобиле есть задняя акустика. |
| Фейдер | Фейдер позволяет настроить баланс между левыми и правыми колонками для достижения симметричного и равномерного звучания в автомобиле. |
4. После настройки слушайте музыку различных жанров и обращайте внимание на звучание компонентной акустики. Если что-то не устраивает, вносите корректировки в настройки тональности или баланса в соответствии с вашими предпочтениями.
5. Особое внимание обратите на уровень громкости. Следите за тем, чтобы громкость не была слишком высокой, чтобы избежать искажений и повреждения динамиков. Настройте громкость так, чтобы она была приятной для вас, но не превышала рекомендуемые уровни.
Следуя этим рекомендациям, вы сможете настроить тональность и баланс компонентной акустики без кроссовера и наслаждаться качественным звучанием в вашем автомобиле.
Как провести тестирование и оптимизацию компонентной акустики без кроссовера
Компонентная акустика без кроссовера предлагает уникальные возможности для настройки и оптимизации звучания. В данной статье мы рассмотрим основные шаги для проведения тестирования и оптимизации вашей компонентной акустики без использования кроссовера.
Шаг 1: Правильное расположение динамиков
Перед началом тестирования и оптимизации необходимо установить динамики компонентной акустики в правильные места. Размещение динамиков должно обеспечивать оптимальное звучание и пространственную глубину звука. Рекомендуется установить низкочастотный динамик (сабвуфер) на переднюю панель автомобиля, а высокочастотный (твитер) — на стойки зеркал заднего вида.
Шаг 2: Подключение динамиков к усилителю

Для подключения компонентной акустики без кроссовера к магнитоле необходимо использовать усилитель. Подключите высокочастотный динамик к выходу для твитера на усилителе, а низкочастотный динамик — к выходу для сабвуфера. В этом случае каждый динамик будет работать в соответствии со своей характеристикой частоты, что позволит получить более четкое звучание.
Шаг 3: Тестирование звучания
После подключения компонентной акустики проведите тестирование звучания. Включите музыку с различными жанрами и настройте звук на ваше усмотрение. Отметьте, насколько четко воспроизводятся высокие и низкие частоты, насколько громкий звук может быть воспроизведен без искажений и насколько точно ощущается пространственная глубина звука.
Шаг 4: Оптимизация звучания
После тестирования можно приступить к оптимизации звучания компонентной акустики. Измените настройки усилителя, такие как уровень громкости, баланс высоких и низких частот, фаза звука, для достижения желаемого звучания. Действуйте экспериментально, проводя тестирование после каждого изменения настроек, чтобы сравнить результаты и выбрать оптимальные настройки.
Следуя этим шагам, вы сможете провести тестирование и оптимизацию компонентной акустики без кроссовера и достичь наилучшего звучания в вашем автомобиле.
Общие рекомендации по использованию компонентной акустики без кроссовера
При использовании компонентной акустики без кроссовера можно получить качественное звучание и более точное разделение звуковых частот. Вот несколько общих рекомендаций, которые помогут вам правильно настроить и использовать такую систему:
1. Подбор усилителя: При выборе усилителя для компонентной акустики без кроссовера обратите внимание на его мощность и сопротивление. Убедитесь, что усилитель имеет достаточную мощность для приведения динамиков в движение, и сопротивление акустической системы соответствует сопротивлению усилителя.
3. Настройка звука: При использовании компонентной акустики без кроссовера вы должны самостоятельно настроить звуковые параметры. Это включает в себя баланс, тон, громкость каждого динамика, чтобы достичь наилучшего качества звучания.
4. Проверка на фазовую согласованность: Важно убедиться, что динамики компонентной акустики без кроссовера работают в правильной фазе. Неправильная фаза может привести к неравномерному разделению искажений и снижению качества звучания. Проверьте фазу каждой пары динамиков и при необходимости поменяйте провода местами.
5. Использование звукового процессора (DSP): Чтобы улучшить звучание и точность разделения звуковых частот, можно использовать звуковой процессор (цифровой сигнальный процессор). DSP позволяет более точно настроить разделение частот и провести эквализацию звука.
Следуя этим общим рекомендациям, вы сможете настроить и использовать компонентную акустику без кроссовера с максимальной эффективностью и получить качественное звучание в своем автомобиле.
Советы по выбору качественной компонентной акустики без кроссовера
1. Определите свои потребности
Прежде всего, определитесь, какие потребности у вас есть в отношении звука. Хотите ли вы достичь максимальной громкости или вам важен ясный и качественный звук? Или, возможно, вы предпочитаете глубокий бас? Определение ваших потребностей поможет вам сузить выбор и сделать правильный выбор.
2. Узнайте производителей
Исследуйте различных производителей акустики без кроссовера и узнайте о их репутации и качестве продукции. Обратите внимание на отзывы и рейтинги в Интернете, а также проконсультируйтесь с профессионалами в магазинах автозвука.
3. Бюджет
Определите ваш бюджет для покупки акустики без кроссовера. Это поможет вам исключить некоторые модели и сконцентрироваться на тех, которые соответствуют вашим финансовым возможностям. Однако стоит помнить, что иногда высокое качество звука требует потраченных денег.
4. Посетите магазин
Лучше всего посетить магазин автозвука и послушать различные модели акустики без кроссовера перед покупкой. Такое прослушивание позволит вам оценить звучание каждой модели и выбрать ту, которая вас больше всего устраивает.
5. Совместимость
Убедитесь, что выбранная акустика без кроссовера совместима с вашей магнитолой и другими компонентами автомобильного аудиосистемы. Проверьте технические характеристики и особенности подключения каждой модели, чтобы избежать проблем и несовместимости.
Следуя этим советам, вы сможете выбрать качественную компонентную акустику без кроссовера, которая подарит вам превосходное звучание вашей автомобильной аудиосистемы.